防水性・視認性・安全性をさらに高めたLPガス充填機。
指示部 防爆等級 | Ex db ⅡB T6 Gb |
計量台部 防爆等級 | Ex mb ⅡC T6 Gb |
計量台部 防水等級 | IP67 |

計量台部の防水性を強化
(防水等級IP67)
計量台部には、樹脂充填防爆構造のロードセルを採用。従来の耐圧防爆構造と比較して防水性が向上し湿度や水濡れの影響を受けにくくなっています。

フルカラー液晶表示画面で
視認性UP
フルカラー液晶表示画面の指示計で、視認性を大幅に向上させました。鮮明な表示により作業中でも数値や操作情報を一目で確認でき、視認ミスのリスクを軽減します。
薄型台部でコンパクトに、
工期短縮を実現
樹脂充填防爆構造のデジタルロードセル採用により計量台部の薄型化を実現しました。既設のピットを流用して据付工事を行うことが可能になるため大掛かりな基礎工事が不要です。
充填可能ガス | LPガス(JIS K 2240) |
|---|---|
ひょう量(kg) | 150.0 |
目量(kg) | 0.1 |
高圧部設計圧力(MPa) | 2.35 |
供給エア | ・エア圧力 0.6~0.7MPa |
供給電源 | ・電圧 単相AC100V 50/60Hz |
寸法(mm) | 幅530×奥行き765×ピット上高さ1728×ピット下高さ250 |
質量(kg) | 約160 |
FAQ
Q.
A.
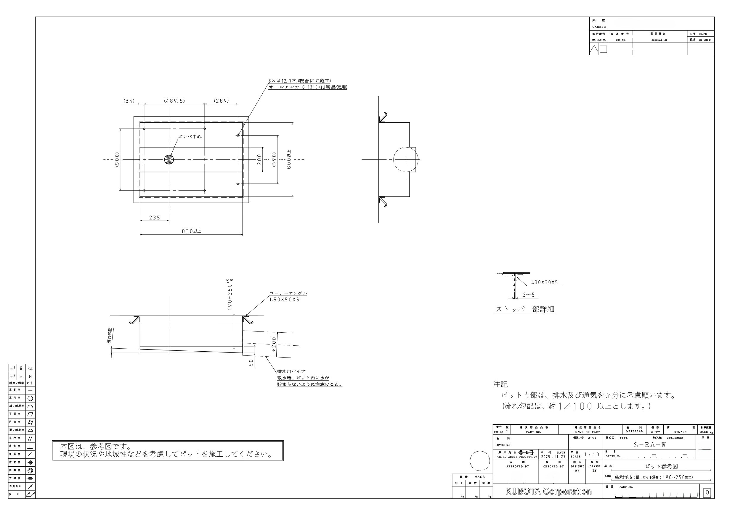
既設のピットとピット参考図をご比較ください。
計量台部の寸法や仕様はバリエーションがございますので既設のピットに合わせた仕様もご提案させていただきます。
※対応できない場合もございますので、まずはご相談ください。
Q.
A.
既設ピットを流用する場合、設置工事は1~2日の短工期となり、週末工事での更新が可能です。撤去開始から完成検査まで約3日で完了します。
Q.
A.
S-EA-Ⅳは防水性能が強化されており、水に強い仕様ですが完全防水製品ではないため、ピットの排水確保や指示計へのカバー掛けなどの対策を行ってください。
オプションで散水用専用カバーをご用意しております。
Q.
A.
落雷により電子部品が損傷する恐れがありますので、近くで雷が鳴りだしたら稼働を止めて電源を落としてください。